Kongsberg 352P-MGC  HiPAP: High Precision Acoustic Positioning System
Kongsberg 352P-MGC  HiPAP: High Precision Acoustic Positioning System
Survey Equipment

Kongsberg 352P-MGC HiPAP: High Precision Acoustic Positioning System

Availability: ,

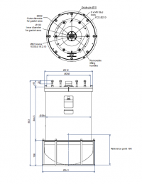
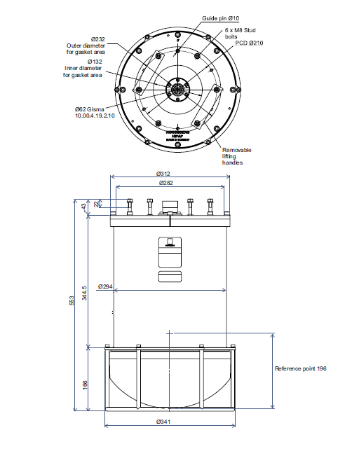
The 352P HiPAP is the latest version of the very popular portable HiPAP.  It was developed to provide the market’s best accuracy where HiPAP 502 extreme accuracy and long-range capabilities are not required. With its unique transducer array, measuring only 320 mm in diameter (smaller than HiPAP 502), the HiPAP 352 can be used with all existing HPR gate valves.

The HiPAP 352 is developed for use in situations where positioning is within a sector of +/- 60 degrees below the vessel, but will also perform outside this sector at some reduced accuracy and range capability. This level of functionality makes the HiPAP 352 ideal for drill-rigs, ROV tracking and dynamic positioning reference. It is also ideal for other operations where the underwater positioning is relatively directly below, and where extreme accuracy, shallow water horizontal positioning and ultra deep performance are not required.

Features

The HiPAP 352P-MGC is a portable system designed for tracking ROV’s, tow fish, divers and other subsea objects at several thousand meters range. As it  It contains integrated motion sensors and a gyro compass this model has no need for calibration to determine roll, pitch and heading alignments. The system operates in SSBL mode where it measures the distance and direction to subsea transponders and computes a 3D position in local coordinates or in geographical coordinates. HiPAP 352P is designed to be a portable system for easy installation on surface vessels or other surface units. APOS, the operator station for HiPAP 352P, provides the full range of functions for acoustic positioning and data communication. HiPAP 352P benefits from the Cymbal acoustic protocol and all functions that are available for the HiPAP products are also available for HiPAP 352P. HiPAP 352P has full LBL calibration and positioning capabilities and can be used for position box in, calibration and positioning. The system is offering the user a wide range of transponder channels and cNODE transponder models for depths down to 4000 meters.

 

Applications

Reliable underwater reference for DP systems

Positioning of underwater vehicles

Subsea construction

LBL position accuracy

Product Enquiry